article-image-1

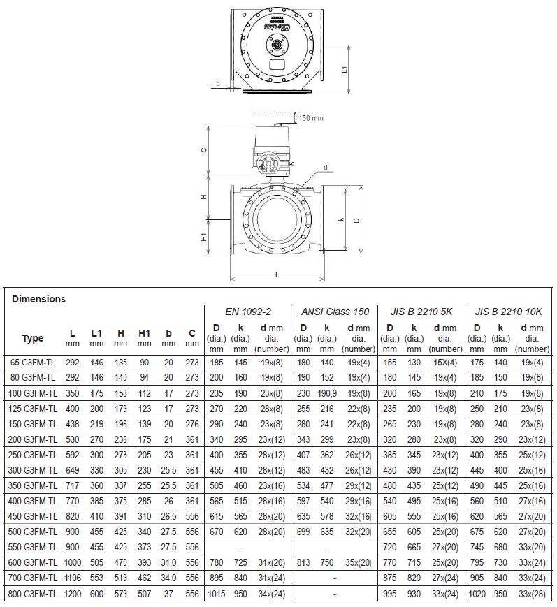
3-WAY CONTROL VALVES G3FM-TL - DN65-800

APPLICATIONS


Control valve type G3FM-TL is a three-way control valve with a slide
for quarter turn operation designed for regulating of fresh water,
lubricating oil and other liquid media. The valves are designed for use
in conjunction with industrial processes, district heating and marine
installations with large water or lubricating oil volumes:

• Engine Jacket Cooling Water System
• Lubricating Oil Cooling
• Central Cooling Water System, etc.

GENERALLY  
Sizes: DN65, 80, 100, 125, 150,
DN200, 250, 300, 350,
DN400, 450, 500, 550,
DN600, 650, 700, 800
Nom. pressure: PN25 - DN65 -125
PN16 - DN150 - 300
PN10 - 350 -800
Material: Nodular cast iron
Material (components): Nodular cast iron
Flanges: EN 1092-2
DIN2632 - PN10
DIN2633 - PN16
DIN2634 - PN25
JIS B 2210 5KDIN 2633

DOWNLOADS  
Data sheet: 2.6.03
Data sheet spare parts: S-2.6.03
Instruction: 99.212.01
Dimension: 2.6.03 - Dimension
3D File: 3D file
Image: Image PNG