article-image-1

3-WAY CONTROL VALVES G3FA-I - DN80-300

APPLICATIONS


Control valves type G3FA-I are designed for regulating of fresh water, lubricating
oil and other liquid media. The valves are designed for use in conjunction with
large industrial processes, district heating and marine installations, e.g. cooling
of main and auxiliary engines. Is used in conjunction with Clorius valve motor
type AVM/F 234 or Clorius pneumatic actuators.

GENERALLY  
Sizes: DN80, 100, 125, 150
DN200/175, 200, 200/250, 300
Nom. pressure: PN10 - 300/250-300
PN16 - 80-200
Material: Nodular cast iron
Material (components): Alu. bronze & Stainless steel
Flanges: EN 1092-2
JIS B 2210 10K
DIN 2633

DOWNLOADS  
Data sheet: 2.5.18
Data sheet spare parts: S-2.5.18 
Instruction: 99.212.01
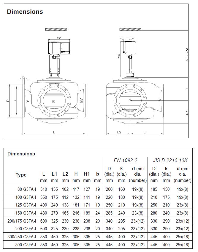
Dimension: 2.5.18 - Dimension
3D File: 3D file
Image: Image PNG