article-image-1

2-WAY CONTROL VALVES TYPE L2FM-T - DN65-800

APPLICATIONS


Control valve type L2FM-T is a three-way control valve with blocked port making a
two-way control valve. 
The slide for quarter turn operation designed for regulating of sea water.
The valves are designed for use in conjunction with industrial processes, marine
installations with large water quantities. The valves are designed for use in
conjunction with valve motor type CAR with handle for manual operation or for
use in conjunction with a pneumatic actuator.

GENERALLY  
Sizes: DN65, 80, 100, 125, 150
DN200, 250, 300, 350
DN400, 450, 500, 550
DN600, 700, 800
Nom. pressure:

PN6 (DN350 - 800)
PN10 (DN150 - 300)
PN16 (DN65 - 125)

Material: Bronze
Material (components): Aluminum/copper alloy

Flanges: EN 1092-2
PN6, PN10, PN16

ANSI Class 150
DIN2631 - PN6
DIN2632 - PN10
DIN2633 - PN16

DOWNLOADS  
Data sheet: 2.2.05.03
Data sheet spare part: S-2.2.05.03
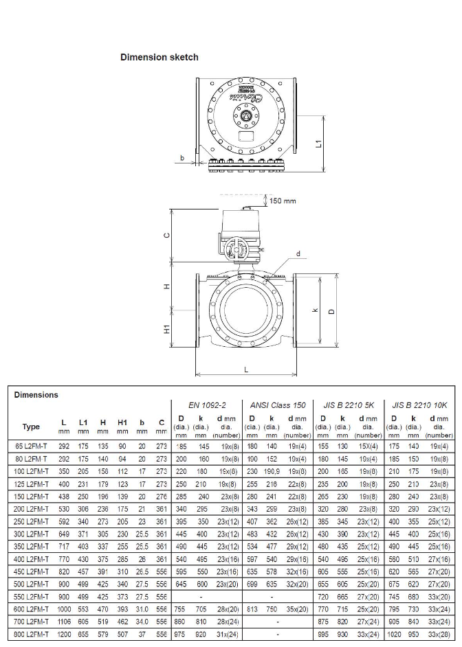
Dimension drawing: 2.2.02.03 Dimension
3D file: 3D file
Image: Image PNG