article-image-1

2-WAYS CONTROL VALVES G2FR - DN20-80

APPLICATIONS


Valves type G2FR are mainly intended for control of cooling systems.
The valves are used in conjunction with temperature or pressure differential regulators.

GENERALLY  
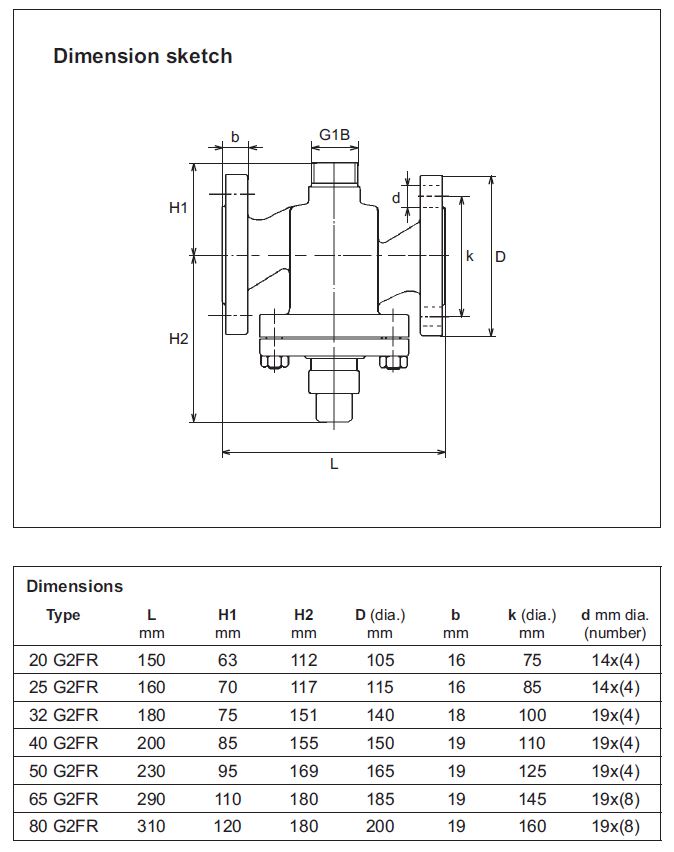
Sizes: DN20, 25, 32, 40,
DN50, 65, 80
Nom. pressure: PN25
Material: Nodular cast iron
Material (components): Stainless steel
Flanges EN 1092-2 

DOWNLOADS  
Data sheet: 2.5.06
Data sheet spare part: S-2.5.06
Dimension drawing: 2.5.06- Dimension
3D file: 3D file
Image: Image PNG