article-image-1

2-WAYS CONTROL VALVES G2F - DN20-80

APPLICATIONS


Control valves type G2F are designed for regulating hot water, steam and hot oil systems.
The valves are used in conjunction with our temperature or pressure differential regulators
for controlling industrial processes, district or central heating plants or marine installations.

GENERALLY  
Sizes: DN20, 25, 32, 40
DN50, 65, 80
Nom. pressure: PN25
Material: Nodular cast iron
Material (components): Stainless steel
Flanges EN 1092-2 

DOWNLOADS  
Data sheet: 2.5.04
Data sheet spare part: S-2.5.04
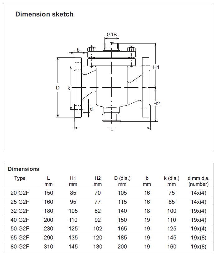
Dimension drawing: 2.5.04- Dimension
3D file: 3D file
Image: Image PNG