article-image-1

2-WAY CONTROL VALVES M1F - DN15/4-50

APPLICATIONS

Control valves type M1F are designed for regulating low, medium and high pressure hot water,
steam and lubricating oils. The valves are used in conjunction with our temperature or pressure
differential regulators for controlling industrial processes, district or central heating plants
or marine installations.

GENERALLY  
Sizes: DN15/4, 15/6, 15/9, 15/12
DN15, 20, 25, 32, 40, 50
Nom. pressure: PN16
Material: Nodular cast iron
Material (components): Stainless steel
Flanges: EN1092-2

DOWNLOADS  
Data sheet: 2.3.02
Data sheet spare part: S-2.3.02
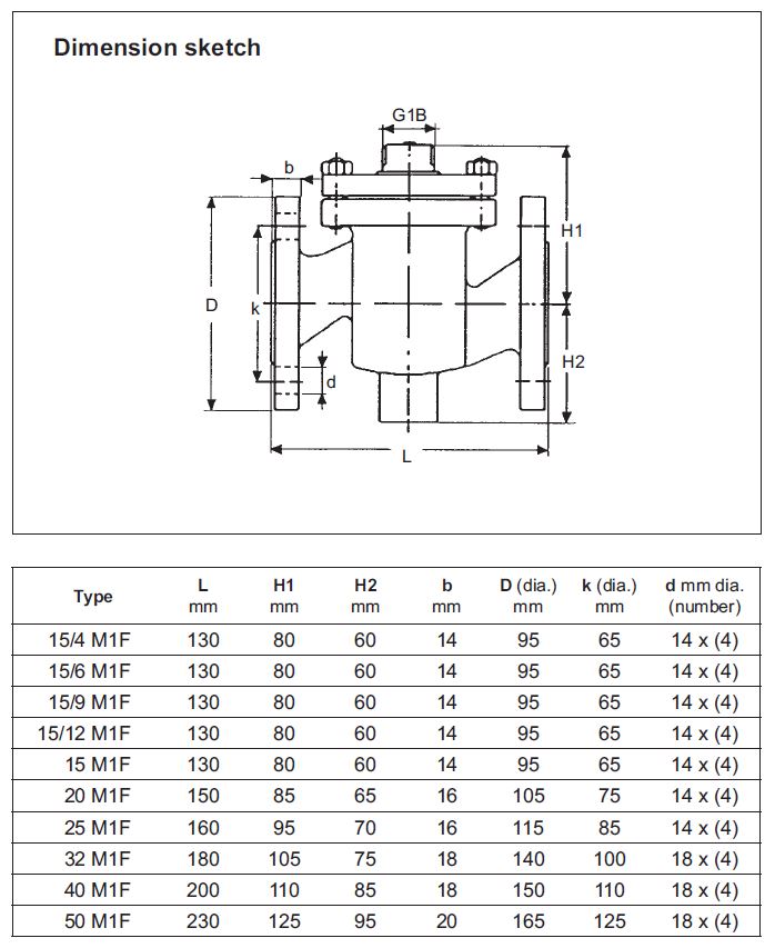
Dimension drawing: 2.3.02- Dimension
3D file: 3D file
Image: Image PNG