article-image-1

2 - WAY CONTROL VALVES H2F - DN100-150

APPLICATIONS


Control valves type H2F are designed for use in regulating high pressure hot water,
steam and heat transfer oil. The valves are used in conjunction with temperature
or pressure differential regulators for controlling district or central heating plants,
industrial processes or marine installations.

GENERALLY  
Sizes: DN100, 125, 150
Nom. pressure: PN25
Material: Cast steel
Material (components): Stainless steel
Flanges:

EN1092-1 - PN25

DOWNLOADS  
Data sheet: 2.4.06
Data sheet spare part: S-2.4.06
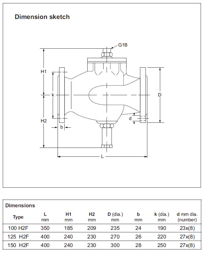
Dimension drawing: 2.4.06- Dimension
3D file: 3D file
Image: Image PNG