article-image-1

2-WAY CONTROL VALVES G1FB - DN25-65

APPLICATIONS


Balanced control valves type G1FBN are designed for regulating hot water, steam and hot oil
systems.  The valves are used in conjunction with our temperature or pressure differential
regulators for controlling industrial processes, district or central heating plants or marine
installations.

GENERALLY  
Sizes: DN25, 32, 40, 50, 65
Nom. pressure: PN25
Material: Nodular cast iron
Material (components): Stainless steel
Flanges: EN 1092-2

DOWNLOADS  
Data sheet: 2.5.03
Data sheet spare part:
S-2.5.03
Instruction: 99.234.01
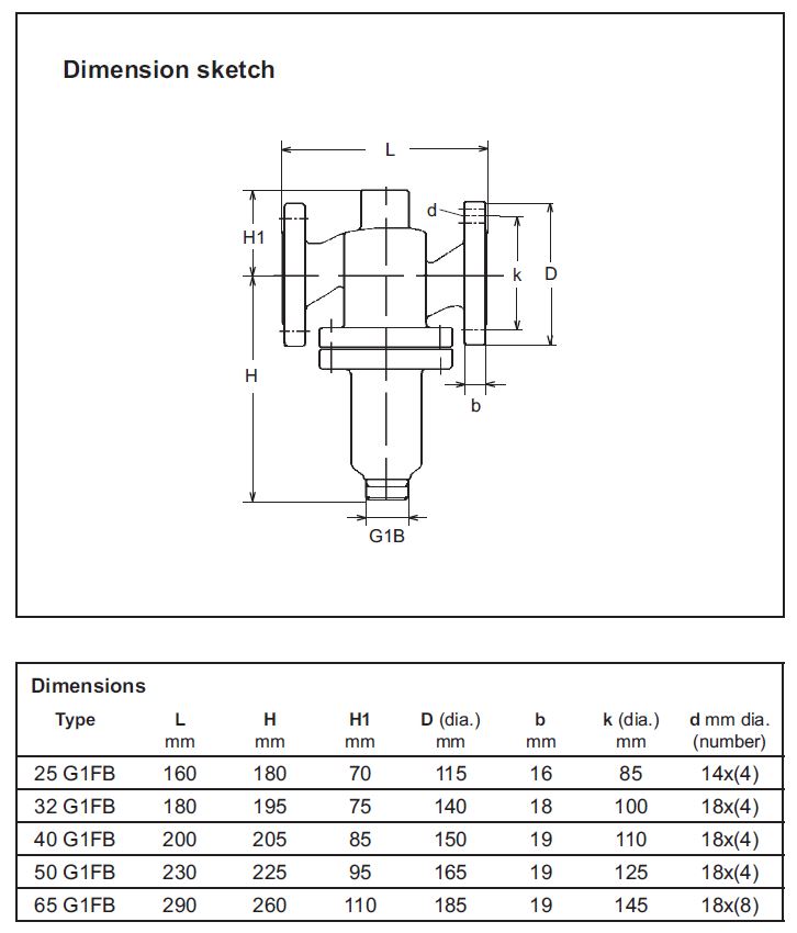
Dimension drawing: 2.5.03- Dimension
Image: Image PNG