article-image-1

2-WAY CONTROL VALVES G1F - DN15/4-50

APPLICATIONS


Control valves type G1F are designed for regulating hot water, steam and hot oil systems.
The valves are used in conjunction with our temperature or pressure differential regulators
for controlling industrial processes, district or central heating plants or marine installations.

GENERALLY  
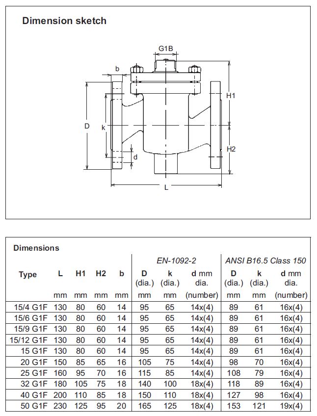
Sizes: DN15/4, 15/6, 15/9, 15/12
DN15, 20, 25, 32, 40, 50
Nom. pressure: PN25
Material: Nodular cast iron
Material (components): Stainless steel 
Flanges EN 1092-2 or ANSI B16.5

DOWNLOADS  
Data sheet: 2.5.02
Data sheet spare part: S-2.5.02
Dimension drawing: 2.5.05- Dimension
3D file: 3D file
Image: Image PNG