Catalogue
Privacy policy
About us
Contact
Distributors
EN
US
DK
EN
PL
DE
FI
SE
PRODUCTS
Documentation
Energy optimization
Industrial Segments
Applications
Case
News
+
Clorius
Catalogue
Privacy policy
About us
Contact
Distributors
PRODUCTS
Documentation
Energy optimization
Industrial Segments
Applications
Case
News
+
Cloriuscontrols
Applications
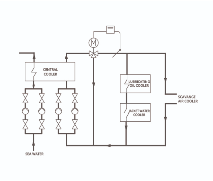
Central Cooling Water System
Case study
Central Cooling Water System
Share